宜昌切换分站 您好!欢迎访问苏州威尔达焊接设备有限公司网站!
苏州威尔达焊接设备有限公司----------让工业焊接更轻松!
全国咨询热线: 13915583428

联系我们

【 微信扫码咨询 】

13915583428

  • 联系人:陈经理
  • 公司地址:苏州市相城区北桥镇生态路8号万企创意园A栋三楼
  • 您的位置: 首页 >> 产品展示 >> 逆变点焊机

    逆变点焊机

    精密逆变点焊机电源PIW-5031B 特点:1、LCD彩屏中文显示,操作简单易懂;2、次级【定电流】【定电压】【定功率】及混合模式;3、初级【定电流】【定脉宽】;4、实时检测显示焊接电流,电压,功率,电阻等数据和波形;5、丰富的I/O接口,与PC或PLC进行通讯,适合自动化对接,可与通道分配器连接,实现多通道

    在线咨询全国咨询热线
    13915583428

    精密逆变点焊机电源PIW-5031B 特点:

      1、LCD彩屏中文显示,操作简单易懂;


      2、次级【定电流】【定电压】【定功率】及混合模式;


      3、初级【定电流】【定脉宽】;


      4、实时检测显示焊接电流,电压,功率,电阻等数据和波形;


      5、丰富的I/O接口,与PC或PLC进行通讯,适合自动化对接,可与通道分配器连接,实现多通道焊接(一个主机连接最多5个变压器);


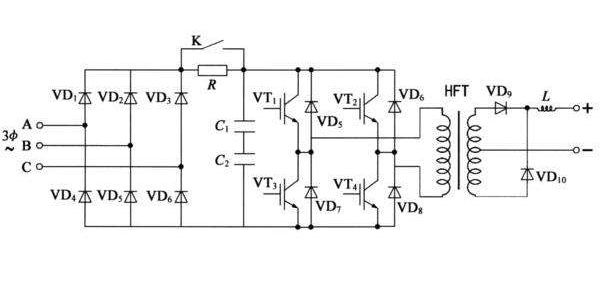
      逆变点焊机逆变原理图:


    逆变电路图片

    焊接参数设置

    焊接参数监控

    威尔达逆变点焊机焊接电源PIW-5031B产品优势:

      1、直流方波输出,可设置电流缓升缓降,波形平整,逆变频率2K-8K可以根据客户需求定制,无交流过零点电流不连续的缺陷,热量集中,提高了焊接热效应;

      2、由32位单片机控制,具有初级定电流,次级定电流,定电压,定功率,定脉宽占空比,同时对电流,电压,功率,电阻,占空比进行监控;

      3、采用目前主流的桥式逆变技术,稳定节能可靠;

      4、具有电流异常,监控值超限,过热等报警,并且通过I/O输出,提高焊接品质;

      5、硬件自我保护功率,本公司所设计的产品,均采用厚膜保护,外部异常情况下,智能切换IGBT模块的驱动信号,增强系统保护功率;

      6、多段多次加热设定,电流缓升缓降功能,中间冷却功能,多段重复功率,适合复杂焊接过程,复杂功率的需求;

      7、63组参数存储,方便多种焊接品种的使用;

      8、强大的外部通讯功能:外部PLC可以通过8421码调用任何一组程序, 具有焊接结束,故障,计数,良品与不良品判断,RS232数据通讯接口,适合自动化焊接;

      9、强大的数据处理功能,采用目前市场最快的32位ARM芯片,外加逻辑处理器控制,比同行业用的PIC芯片快至少200倍;响应速度快,采用了1K,4K,8KHZ的逆变频率,有交流和储能焊机从原理上无法超越的优势,同时也远远领先国内其他同行;

    优质直流点焊机哪家好 当选苏州威尔达焊接设备有限公司

     

    焊接实例:

    样品图一

    焊接电流监控

    样品图二

    逆变点焊机焊接电源PIW-5031BA功率参数:

    型号输入电压额定功率最大输出电流控制模式负载持续率逆变频率
    PIW-5031B交流三相380V15KVA5000A初级定电流/次级定电流/定电压/定功率/定脉宽7%1k-8k根据客户要求
    焊接循环时段焊接脉冲数电流缓升缓降存储焊接规范数外形尺寸(mm)重量
    20263142*480*26910KG


    
    在线客服
    联系方式

    热线电话

    13915583428

    上班时间

    周一到周六

    公司电话

    13915583428

    二维码
    线